ООО «ГидроПрофСнаб»
Минская обл, Дзержинский район, г. Фаниполь, ул. Я.Купалы 3
пн-пт с 8:30 до 17:00

Дюймовые переходники

Наименование Подробности
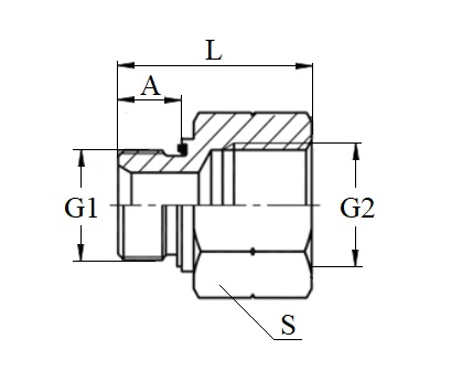
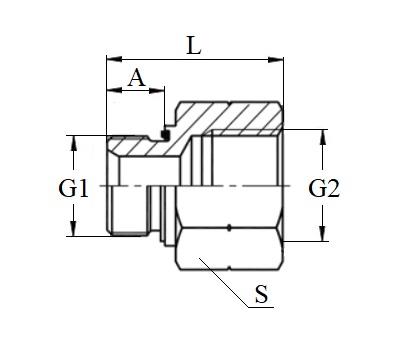
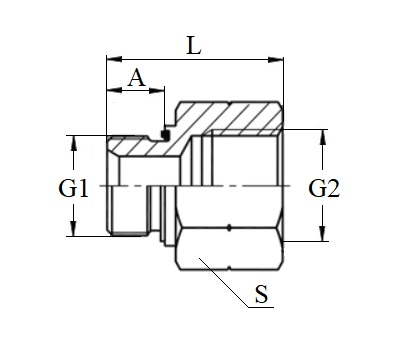
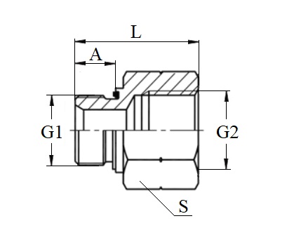
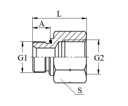
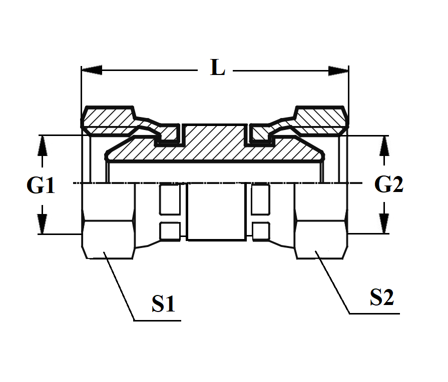
Переходник BSP 1/8"(Ш)-BSP 1/8"(Ш) (1В-02)Подробнее
Описание продукта

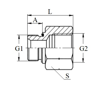
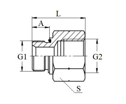
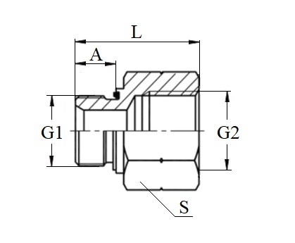
Переходник BSP 1/8"(Ш)-BSP 1/8"(Ш) (1В-02)

Резьба G1 G1/8"х28
Резьба G2 G1/8"х28
Ключ S 14
А,мм 10
B,мм 10
L,мм 26
Переходник BSP 1/8"(Ш)-BSP 1/4"(Ш) (1В-02-04)Подробнее
Описание продукта

Переходник BSP 1/8"(Ш)-BSP 1/4"(Ш) (1В-02-04)

Резьба G1 G1/8"х28
Резьба G2 G1/4"х19
Ключ S 19
А,мм 10
B,мм 12
L,мм 28
Переходник BSP 1/8"(Ш)-BSP 3/8"(Ш) (1В-02-06)Подробнее
Описание продукта

Переходник BSP 1/8"(Ш)-BSP 3/8"(Ш) (1В-02-06)

Резьба G1 G1/8"х28
Резьба G2 G3/8"х19
Ключ S 22
А,мм 10
B,мм 13.5
L,мм 31.5
Переходник BSP 1/8"(Ш)-BSP 1/2"(Ш) (1В-02-08)Подробнее
Описание продукта

Переходник BSP 1/8"(Ш)-BSP 1/2"(Ш) (1В-02-08)

Резьба G1 G1/8"х28
Резьба G2 G1/2"х14
Ключ S 27
А,мм 10
B,мм 16
L,мм 36
Переходник BSP 1/8"(Ш)-BSP 1/2"(Ш) (1В-02-08)Подробнее
Описание продукта

Переходник BSP 1/8"(Ш)-BSP 1/2"(Ш) (1В-02-08)

Резьба G1 G1/8"х28
Резьба G2 G1/2"х14
Ключ S 27
А,мм 10
B,мм 16
L,мм 36
Переходник BSP 1/4"(Ш)-BSP 1/4"(Ш) (1В-04)Подробнее
Описание продукта

Переходник BSP 1/4"(Ш)-BSP 1/4"(Ш) (1В-04)

Резьба G1 G1/4"х19
Резьба G2 G1/4"х19
Ключ S 19
А,мм 12
B, мм 12
L,мм 30
Переходник BSP 1/4"(Ш)-BSP 3/8"(Ш) (1В-04-06)Подробнее
Описание продукта

Переходник BSP 1/4"(Ш)-BSP 3/8"(Ш) (1В-04-06)

Резьба G1 G1/4"х19
Резьба G2 G3/8"х19
Ключ S 22
А,мм 12
B,мм 13.5
L,мм 33.5
Переходник BSP 1/4"(Ш)-BSP 1/2"(Ш) (1В-04-08)Подробнее
Описание продукта

Переходник BSP 1/4"(Ш)-BSP 1/2"(Ш) (1В-04-08)

Резьба G1 G1/4"х19
Резьба G2 G1/2"х14
Ключ S 27
А,мм 12
B,мм 16
L,мм 38
Переходник BSP 1/4"(Ш)-BSP 5/8"(Ш) (1В-04-10)Подробнее
Описание продукта

Переходник BSP 1/4"(Ш)-BSP 5/8"(Ш) (1В-04-10)

Резьба G1 G1/4"х19
Резьба G2 G5/8"х14
Ключ S 30
А,мм 12
B,мм 17.5
L,мм 39.5
Переходник BSP 3/8"(Ш)-BSP 3/8"(Ш) (1В-06)Подробнее
Описание продукта

Переходник BSP 3/8"(Ш)-BSP 3/8"(Ш) (1В-06)

Резьба G1 G3/8"х19
Резьба G2 G3/8"х19
Ключ S 22
А,мм 13.5
B,мм 13.5
L,мм 33
Переходник BSP 3/8"(Ш)-BSP 1/2"(Ш) (1В-06-08)Подробнее
Описание продукта

Переходник BSP 3/8"(Ш)-BSP 1/2"(Ш) (1В-06-08)

Резьба G1 G3/8"х19
Резьба G2 G1/2"х14
Ключ S 27
А мм 13.5
B мм 16
L,мм 39.5
Переходник BSP 3/8"(Ш)-BSP 5/8 "(Ш) (1В-06-10)Подробнее
Описание продукта

Переходник BSP 3/8"(Ш)-BSP 5/8 "(Ш) (1В-06-10)

Резьба G1 G3/8"х19
Резьба G2 G5/8"х14
Ключ S 30
А,мм 13.5
B,мм 17.5
L,мм 42
Переходник BSP 3/8"(Ш)-BSP 3/4 "(Ш) (1В-06-12)Подробнее
Описание продукта

Переходник BSP 3/8"(Ш)-BSP 3/4 "(Ш) (1В-06-12)

Резьба G1 G3/8"х19
Резьба G2 G3/4"х14
Ключ S 32
А,мм 13.5
B мм 18.5
L,мм 43
Переходник BSP 1/2"(Ш)-BSP 1/2 "(Ш) (1В-08)Подробнее
Описание продукта

Переходник BSP 1/2"(Ш)-BSP 1/2 "(Ш) (1В-08)

Резьба G1 G1/2"х14
Резьба G2 G1/2"х14
Ключ S 27
А,мм 16
B,мм 16
L,мм 42
Переходник BSP 1/2"(Ш)-BSP 5/8 "(Ш) (1В-08-10)Подробнее
Описание продукта

Переходник BSP 1/2"(Ш)-BSP 5/8 "(Ш) (1В-08-10)

Резьба G1 G1/2"х14
Резьба G2 G5/8"х14
Ключ S 30
А,мм 16
B,мм 17.5
L,мм 43.5
Переходник BSP 1/2"(Ш)-BSP 3/4 "(Ш) (1В-08-12)Подробнее
Описание продукта

Переходник BSP 1/2"(Ш)-BSP 3/4 "(Ш) (1В-08-12)

Резьба G1 G1/2"х14
Резьба G2 G 3/4"х14
Ключ S 32
А,мм 16
B,мм 18.5
L,мм 45.5
Переходник BSP 5/8"(Ш)-BSP 5/8 "(Ш) (1В-10)Подробнее
Описание продукта

Переходник BSP 5/8"(Ш)-BSP 5/8 "(Ш) (1В-10)

Резьба G1 G5/8"х14
Резьба G2 G 5/8"х14
Ключ S 30
А,мм 17.5
B,мм 17.5
L,мм 45
Переходник BSP 5/8"(Ш)-BSP 3/4 "(Ш) (1В-10)Подробнее
Описание продукта

Переходник BSP 5/8"(Ш)-BSP 3/4 "(Ш) (1В-10)

Резьба G1 G5/8"х14
Резьба G2 G 3/4"х14
Ключ S 32
А,мм 17.5
B,мм 18.5
L,мм 47
Переходник BSP 5/8"(Ш)-BSP 1 "(Ш) (1В-10-16)Подробнее
Описание продукта

Переходник BSP 5/8"(Ш)-BSP 1 "(Ш) (1В-10-16)

Резьба G1 G5/8"х14
Резьба G2 G 1" х11
Ключ S 41
А,мм 17.5
B,мм 20.5
L,мм 51.5
Переходник BSP 3/4"(Ш)-BSP 3/4 "(Ш) (1В-12)Подробнее
Описание продукта

Переходник BSP 3/4"(Ш)-BSP 3/4 "(Ш) (1В-12)

Резьба G1 G3/4"х14
Резьба G2 G3/4"х14
Ключ S 32
А,мм 18.5
B,мм 18.5
L,мм 48
Переходник BSP 3/4"(Ш)-BSP 1"(Ш) (1В-12-16)Подробнее
Описание продукта

Переходник BSP 3/4"(Ш)-BSP 1"(Ш) (1В-12-16)

Резьба G1 G3/4"х14
Резьба G2 G 1" х11
Ключ S 41
А,мм 18.5
B,мм 20.5
L,мм 52.5
Переходник BSP 3/4"(Ш)-BSP 1 1/4"(Ш) (1В-12-20)Подробнее
Описание продукта

Переходник BSP 3/4"(Ш)-BSP 1 1/4"(Ш) (1В-12-20)

Резьба G1 G3/4"х14
Резьба G2 G 1 1/4" х11
Ключ S 50
А,мм 18.5
B,мм 20.5
L,мм 56
Переходник BSP 1"(Ш)-BSP 1 "(Ш) (1В-16)Подробнее
Описание продукта

Переходник BSP 1"(Ш)-BSP 1 "(Ш) (1В-16)

Резьба G1 G1"х11
Резьба G2 G 1"х11
Ключ S 41
А,мм 20.5
B,мм 20.5
L,мм 54
Переходник BSP 1"(Ш)-BSP 1.1/4 "(Ш) (1В-16-20)Подробнее
Описание продукта

Переходник BSP 1"(Ш)-BSP 1.1/4 "(Ш) (1В-16-20)

Резьба G1 G1"х11
Резьба G2 G 1.1/4"х11
Ключ S 50
А,мм 20.5
B,мм 20.5
L,мм 58
Переходник BSP 1"(Ш)-BSP 1.1/2 "(Ш) (1В-16-24)Подробнее
Описание продукта

Переходник BSP 1"(Ш)-BSP 1.1/2 "(Ш) (1В-16-24)

Резьба G1 G1"х11
Резьба G2 G 1.1/2"х11
Ключ S 55
А,мм 20.5
B,мм 23
L,мм 60.5
Переходник BSP 1.1/4"(Ш)-BSP 1.1/4 "(Ш) (1В-20)Подробнее
Описание продукта

Переходник BSP 1.1/4"(Ш)-BSP 1.1/4 "(Ш) (1В-20)

Резьба G1 G1.1/4"х11
Резьба G2 G1.1/4"х11
Ключ S 50
А,мм 20.5
B,мм 20.5
L,мм 58
Переходник BSP 1.1/4"(Ш)-BSP 1.1/2 "(Ш) (1В-20-24)Подробнее
Описание продукта

Переходник BSP 1.1/4"(Ш)-BSP 1.1/2 "(Ш) (1В-20-24)

Резьба G1 G1.1/4"х11
Резьба G2 G1.1/2"х11
Ключ S 55
А,мм 20.5
B мм 23
L,мм 60.5
Переходник BSP 1.1/2"(Ш)-BSP 1.1/2 "(Ш) (1В-24)Подробнее
Описание продукта

Переходник BSP 1.1/2"(Ш)-BSP 1.1/2 "(Ш) (1В-24)

Резьба G1 G1.1/2"х11
Резьба G2 G1.1/2"х11
Ключ S 55
А,мм 23
B,мм 23
L,мм 63
Переходник BSP 1.1/2"(Ш)-BSP 2 "(Ш) (1В-24-32)Подробнее
Описание продукта

Переходник BSP 1.1/2"(Ш)-BSP 2 "(Ш) (1В-24-32)

Резьба G1 G1.1/2"х11
Резьба G2 G 2"х11
Ключ S 70
А,мм 23
B,мм 25.5
L,мм 66.5
Переходник BSP 2"(Ш)-BSP 2 "(Ш) (1В-32)Подробнее
Описание продукта

Переходник BSP 2"(Ш)-BSP 2 "(Ш) (1В-32)

Резьба G1 G 2"х11
Резьба G2 G 2"х11
Ключ S 70
А,мм 25.5
B,мм 25.5
L,мм 68
Переходник BSP 2.1/2"(Ш)-BSP 2.1/2 "(Ш) (1В-40)Подробнее
Описание продукта

Переходник BSP 2.1/2"(Ш)-BSP 2.1/2 "(Ш) (1В-40)

Резьба G1 G 2.1/2"х11
Резьба G2 G 2.1/2"х11
Ключ S 90
А,мм 32
B,мм 32
L,мм 81
Переходник BSP 3"(Ш)-BSP 3"(Ш) (1В-48)Подробнее
Описание продукта

Переходник BSP 3"(Ш)-BSP 3"(Ш) (1В-48)

Резьба G1 G 3"х11
Резьба G2 G 3"х11
Ключ S 100
А,мм 36
B,мм 36
L,мм 91
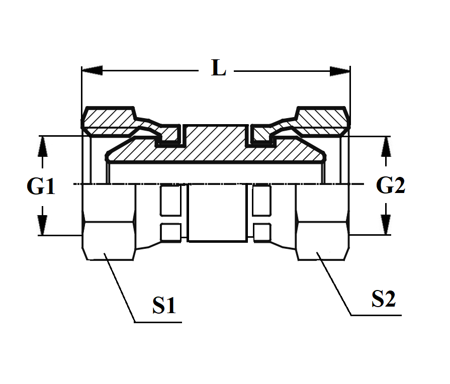
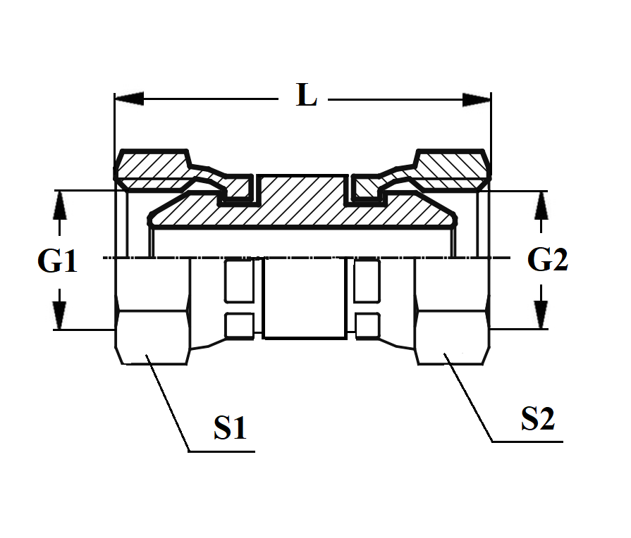
Переходник BSP 1/4"(Ш)-BSP 1/4"(Ш-В) (1В-04WD)Подробнее
Описание продукта

Переходник BSP 1/4"(Ш)-BSP 1/4"(Ш-В) (1В-04WD)

Резьба G1 G1/4"х19
Резьба G2 G1/4"х19
Ключ S 19
А,мм 12
B, мм 12
L,мм 32
Переходник BSP 1/4"(Ш)-BSP 3/8"(Ш-В) (1В-04-06WD)Подробнее
Описание продукта

Переходник BSP 1/4"(Ш)-BSP 3/8"(Ш-В) (1В-04-06WD)

Резьба G1 G1/4"х19
Резьба G2 G3/8"х19
Ключ S 22
А,мм 12
B,мм 12
L,мм 34.5
Переходник BSP 1/4"(Ш)-BSP 1/2"(Ш-В) (1В-04-08WD)Подробнее
Описание продукта

Переходник BSP 1/4"(Ш)-BSP 1/2"(Ш-В) (1В-04-08WD)

Резьба G1 G1/4"х19
Резьба G2 G1/2"х14
Ключ S 27
А,мм 12
B,мм 14
L,мм 39
Переходник BSP 3/8"(Ш)-BSP 3/8"(Ш-В) (1В-06WD)Подробнее
Описание продукта

Переходник BSP 3/8"(Ш)-BSP 3/8"(Ш-В) (1В-06WD)

Резьба G1 G3/8"х19
Резьба G2 G3/8"х19
Ключ S 22
А,мм 13.5
B,мм 12
L,мм 34
Переходник BSP 3/8"(Ш)-BSP 1/2"(Ш-В) (1В-06-08WD)Подробнее
Описание продукта

Переходник BSP 3/8"(Ш)-BSP 1/2"(Ш-В) (1В-06-08WD)

Резьба G1 G3/8"х19
Резьба G2 G1/2"х14
Ключ S 27
А мм 13.5
B мм 14
L,мм 40.5
Переходник BSP 1/2"(Ш)-BSP 1/2 "(Ш-В) (1В-08WD)Подробнее
Описание продукта

Переходник BSP 1/2"(Ш)-BSP 1/2 "(Ш-В) (1В-08WD)

Резьба G1 G1/2"х14
Резьба G2 G1/2"х14
Ключ S 27
А,мм 16
B,мм 14
L,мм 43
Переходник BSP 1/2"(Ш)-BSP 3/4 "(Ш-В) (1В-08-12WD)Подробнее
Описание продукта

Переходник BSP 1/2"(Ш)-BSP 3/4 "(Ш-В) (1В-08-12WD)

Резьба G1 G1/2"х14
Резьба G2 G 3/4"х14
Ключ S 32
А,мм 16
B,мм 16
L,мм 46
Переходник BSP 3/4"(Ш)-BSP 3/4 "(Ш-В) (1В-12WD)Подробнее
Описание продукта

Переходник BSP 3/4"(Ш)-BSP 3/4 "(Ш-В) (1В-12WD)

Резьба G1 G3/4"х14
Резьба G2 G3/4"х14
Ключ S 32
А,мм 18.5
B,мм 16
L,мм 46.5
Переходник BSP 3/4"(Ш)-BSP 1"(Ш-В) (1В-12-16WD)Подробнее
Описание продукта

Переходник BSP 3/4"(Ш)-BSP 1"(Ш-В) (1В-12-16WD)

Резьба G1 G3/4"х14
Резьба G2 G 1" х11
Ключ S 41
А,мм 18.5
B,мм 18
L,мм 52.5
Переходник BSP 1"(Ш)-BSP 1 "(Ш-В) (1В-16WB)Подробнее
Описание продукта

Переходник BSP 1"(Ш)-BSP 1 "(Ш-В) (1В-16WB)

Резьба G1 G1"х11
Резьба G2 G 1"х11
Ключ S 41
А,мм 20.5
B,мм 18
L,мм 54.5
Переходник BSP 1"(Ш)-BSP 1.1/4 "(Ш-В) (1В-16-20WD)Подробнее
Описание продукта

Переходник BSP 1"(Ш)-BSP 1.1/4 "(Ш-В) (1В-16-20WD)

Резьба G1 G1"х11
Резьба G2 G 1.1/4"х11
Ключ S 50
А,мм 20.5
B,мм 20
L,мм 58.5
Переходник BSP 1.1/4"(Ш)-BSP 1.1/4 "(Ш-В) (1В-20WD)Подробнее
Описание продукта

Переходник BSP 1.1/4"(Ш)-BSP 1.1/4 "(Ш-В) (1В-20WD)

Резьба G1 G1.1/4"х11
Резьба G2 G1.1/4"х11
Ключ S 50
А,мм 20.5
B,мм 20
L,мм 58.5
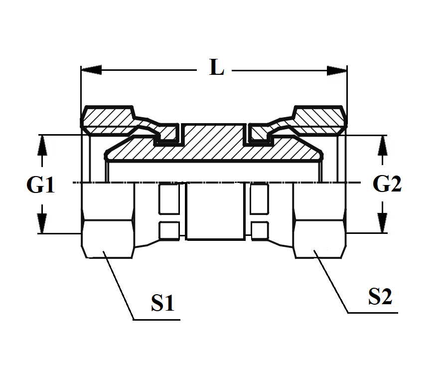
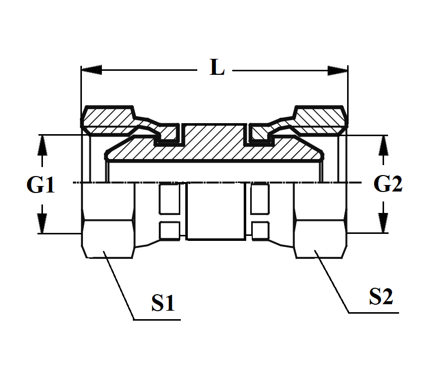
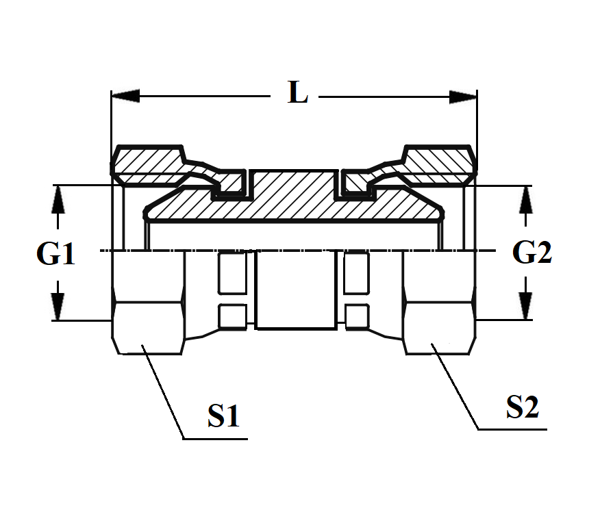
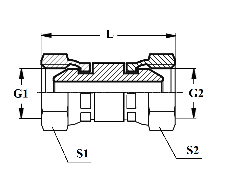
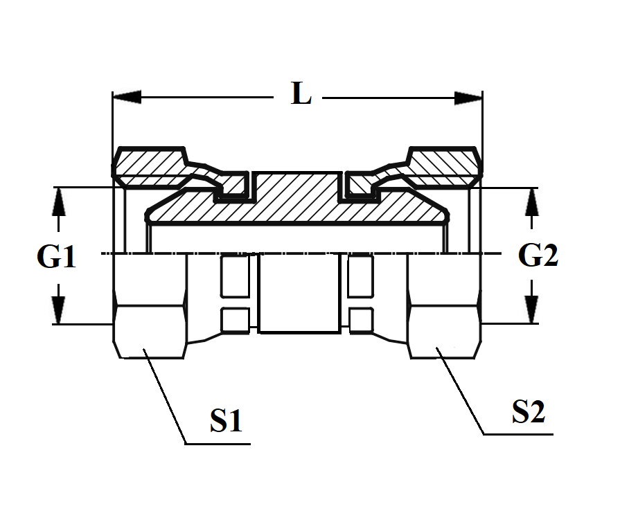
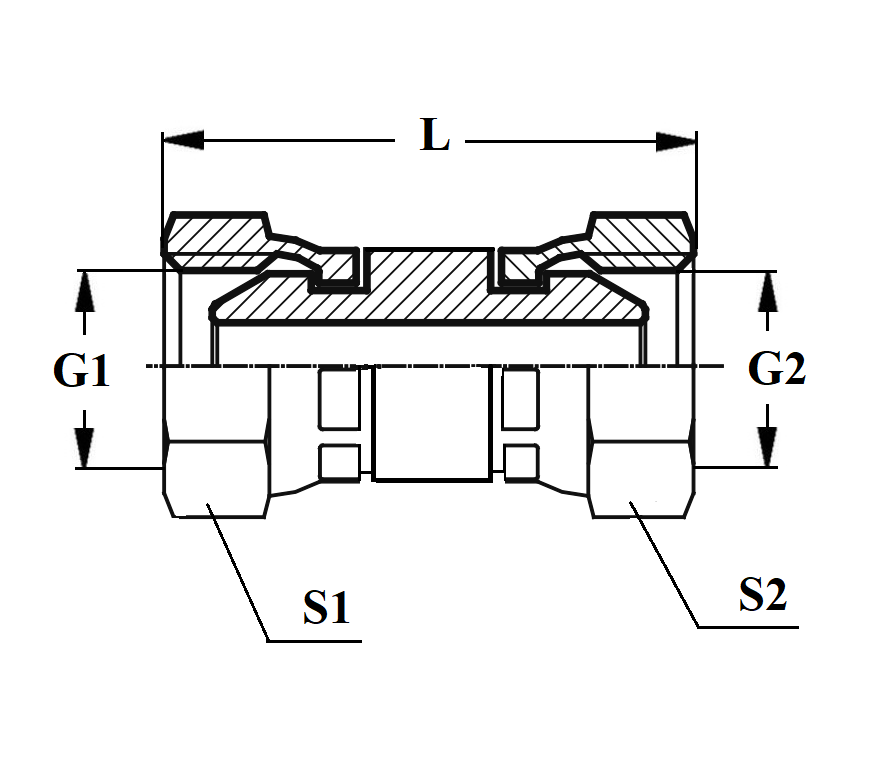
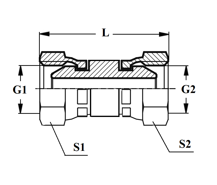
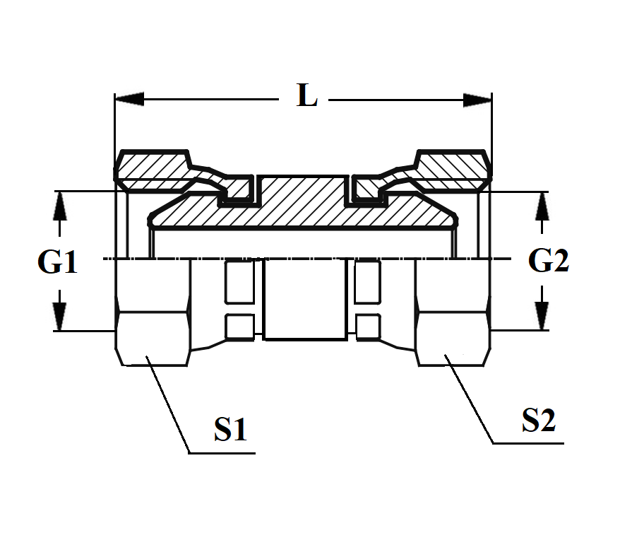
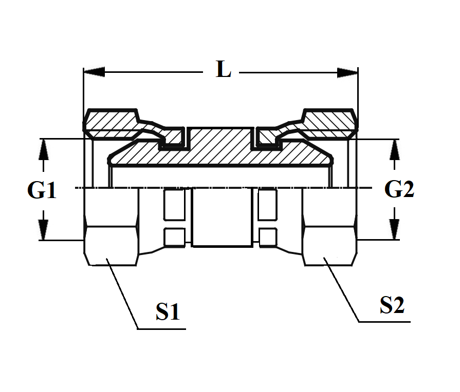
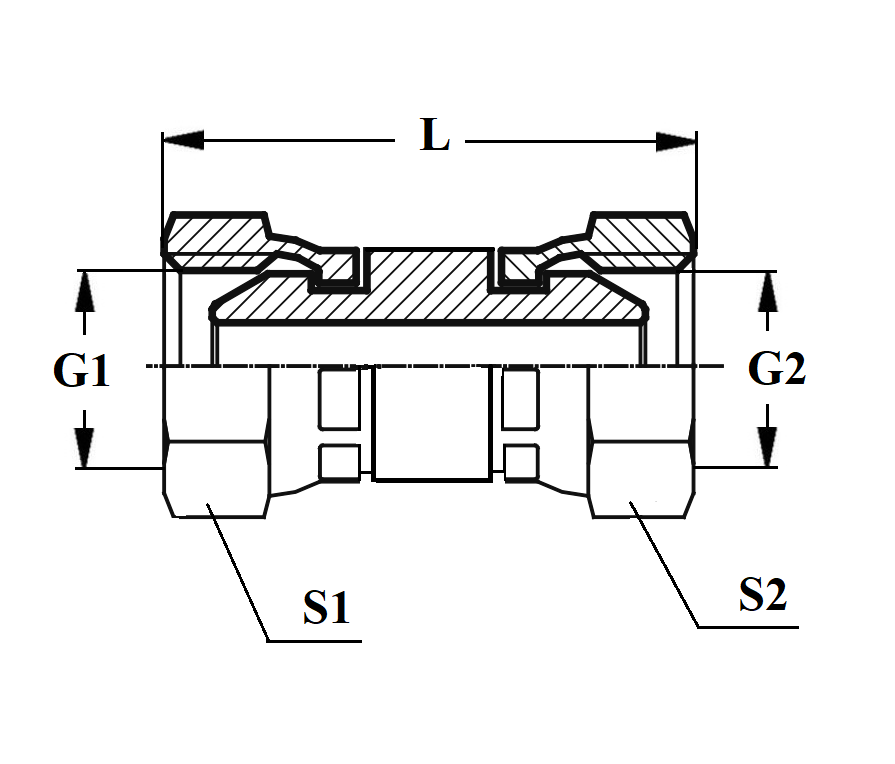
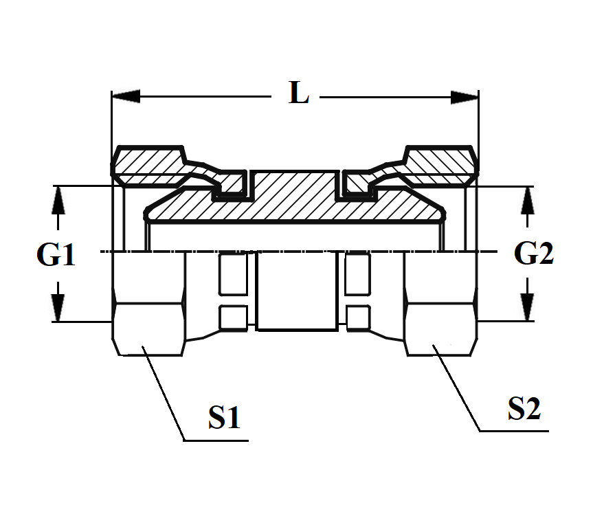
Переходник BSP 1/8"(Ш)-BSP 1/8"(Г) (2В-02)Подробнее
Описание продукта

Переходник BSP 1/8"(Ш)-BSP 1/8"(Г) (2В-02)

Резьба G1 G1/8"х28
Резьба G2 G1/8"х28
Ключ S1 14
Ключ S2 14
А,мм 10
B,мм 5.5
L,мм 25
Переходник BSP 1/8"(Ш)-BSP 1/4"(Г) (2В-02-04)Подробнее
Описание продукта

Переходник BSP 1/8"(Ш)-BSP 1/4"(Г) (2В-02-04)

Резьба G1 G1/8"х28
Резьба G2 G1/4"х19
Ключ S1 14
Ключ S2 19
А,мм 10
B,мм 5.5
L,мм 27
Переходник BSP 1/4"(Ш)-BSP 1/4"(Г) (2В-04)Подробнее
Описание продукта

Переходник BSP 1/4"(Ш)-BSP 1/4"(Г) (2В-04)

Резьба G1 G1/4"х19
Резьба G2 G1/4"х19
Ключ S1 19
Ключ S2 19
А,мм 12
B,мм 5.5
L,мм 29
Переходник BSP 1/4"(Ш)-BSP 3/8"(Г) (2В-04-06)Подробнее
Описание продукта

Переходник BSP 1/4"(Ш)-BSP 3/8"(Г) (2В-04-06)

Резьба G1 G1/4"х19
Резьба G2 G3/8"х19
Ключ S1 19
Ключ S2 22
А,мм 12
B,мм 6.3
L,мм 30.5
Переходник BSP 1/4"(Ш)-BSP 1/2"(Г) (2В-04-08)Подробнее
Описание продукта

Переходник BSP 1/4"(Ш)-BSP 1/2"(Г) (2В-04-08)

Резьба G1 G1/4"х19
Резьба G2 G1/2"х14
Ключ S1 19
Ключ S2 27
А,мм 12
B,мм 7.5
L,мм 32
Переходник BSP 3/8"(Ш)-BSP 3/8"(Г) (2В-06)Подробнее
Описание продукта

Переходник BSP 3/8"(Ш)-BSP 3/8"(Г) (2В-06)

Резьба G1 G3/8"х19
Резьба G2 G3/8"х19
Ключ S1 22
Ключ S2 22
А,мм 13.5
B,мм 6.3
L,мм 34
Переходник BSP 3/8"(Ш)-BSP 1/2"(Г) (2В-06-08)Подробнее
Описание продукта

Переходник BSP 3/8"(Ш)-BSP 1/2"(Г) (2В-06-08)

Резьба G1 G3/8"х19
Резьба G2 G1/2"х14
Ключ S1 22
Ключ S2 27
А,мм 13.5
B,мм 7.5
L,мм 35.5
Переходник BSP 3/8"(Ш)-BSP 5/8"(Г) (2В-06-10)Подробнее
Описание продукта

Переходник BSP 3/8"(Ш)-BSP 5/8"(Г) (2В-06-10)

Резьба G1 G3/8"х19
Резьба G2 G5/8"х14
Ключ S1 22
Ключ S2 30
А,мм 13.5
B,мм 9.5
L,мм 36
Переходник BSP 1/2"(Ш)-BSP 1/2"(Г) (2В-08)Подробнее
Описание продукта

Переходник BSP 1/2"(Ш)-BSP 1/2"(Г) (2В-08)

Резьба G1 G1/2"х14
Резьба G2 G1/2"х14
Ключ S1 27
Ключ S2 27
А,мм 16
B,мм 7.5
L,мм 40
Переходник BSP 1/2"(Ш)-BSP 3/8"(Г) (2В-08-06)Подробнее
Описание продукта

Переходник BSP 1/2"(Ш)-BSP 3/8"(Г) (2В-08-06)

Резьба G1 G1/2"х14
Резьба G2 G3/8"х19
Ключ S1 27
Ключ S2 22
А,мм 16
B,мм 6.3
L,мм 38.5
Переходник BSP 1/2"(Ш)-BSP 3/4"(Г) (2В-08-12)Подробнее
Описание продукта

Переходник BSP 1/2"(Ш)-BSP 3/4"(Г) (2В-08-12)

Резьба G1 G1/2"х14
Резьба G2 G3/4"х14
Ключ S1 27
Ключ S2 32
А,мм 16
B,мм 10.9
L,мм 41
Переходник BSP 1/2"(Ш)-BSP 1"(Г) (2В-08-16)Подробнее
Описание продукта

Переходник BSP 1/2"(Ш)-BSP 1"(Г) (2В-08-16)

Резьба G1 G1/2"х14
Резьба G2 G1"х11
Ключ S1 27
Ключ S2 41
А,мм 16
B,мм 11.7
L,мм 32
Переходник BSP 5/8"(Ш)-BSP 5/8"(Г) (2В-10)Подробнее
Описание продукта

Переходник BSP 5/8"(Ш)-BSP 5/8"(Г) (2В-10)

Резьба G1 G5/8"х14
Резьба G2 G5/8"х14
Ключ S1 30
Ключ S2 30
А,мм 17.5
B,мм 9.5
L,мм 42
Переходник BSP 5/8"(Ш)-BSP1/2"(Г) (2В-10-08)Подробнее
Описание продукта

Переходник BSP 5/8"(Ш)-BSP1/2"(Г) (2В-10-08)

Резьба G1 G5/8"х14
Резьба G2 G1/2"х14
Ключ S1 30
Ключ S2 27
А,мм 17.5
B,мм 7.5
L,мм 41.5
Переходник BSP 5/8"(Ш)-BSP3/4"(Г) (2В-10-12)Подробнее
Описание продукта

Переходник BSP 5/8"(Ш)-BSP3/4"(Г) (2В-10-12)

Резьба G1 G5/8"х14
Резьба G2 G3/4"х14
Ключ S1 30
Ключ S2 32
А,мм 17.5
B,мм 10.9
L,мм 42.5
Переходник BSP 3/4"(Ш)-BSP3/4"(Г) (2В-12)Подробнее
Описание продукта

Переходник BSP 3/4"(Ш)-BSP3/4"(Г) (2В-12)

Резьба G1 G3/4"х14
Резьба G2 G3/4"х14
Ключ S1 32
Ключ S2 32
А,мм 18.5
B,мм 10.9
L,мм 44.5
Переходник BSP 3/4"(Ш)-BSP5/8"(Г) (2В-12-10)Подробнее
Описание продукта

Переходник BSP 3/4"(Ш)-BSP5/8"(Г) (2В-12-10)

Резьба G1 G3/4"х14
Резьба G2 G5/8"х14
Ключ S1 32
Ключ S2 30
А,мм 18.5
B,мм 9.5
L,мм 44
Переходник BSP 3/4"(Ш)-BSP1"(Г) (2В-12-16)Подробнее
Описание продукта

Переходник BSP 3/4"(Ш)-BSP1"(Г) (2В-12-16)

Резьба G1 G3/4"х14
Резьба G2 G1"х11
Ключ S1 32
Ключ S2 41
А,мм 18.5
B,мм 11.7
L,мм 46
Переходник BSP 1"(Ш)-BSP1"(Г) (2В-16)Подробнее
Описание продукта

Переходник BSP 1"(Ш)-BSP1"(Г) (2В-16)

Резьба G1 G1"х11
Резьба G2 G1"х11
Ключ S1 41
Ключ S2 41
А,мм 20.5
B,мм 11.7
L,мм 50
Переходник BSP 1"(Ш)-BSP3/4"(Г) (2В-16-12)Подробнее
Описание продукта

Переходник BSP 1"(Ш)-BSP3/4"(Г) (2В-16-12)

Резьба G1 G1"х11
Резьба G2 G3/4"х11
Ключ S1 41
Ключ S2 32
А,мм 20.5
B,мм 10.9
L,мм 49
Переходник BSP 1"(Ш)-BSP1.1/4"(Г) (2В-16-20)Подробнее
Описание продукта

Переходник BSP 1"(Ш)-BSP1.1/4"(Г) (2В-16-20)

Резьба G1 G1"х11
Резьба G2 G1.1/4"х11
Ключ S1 41
Ключ S2 50
А,мм 20.5
B,мм 11
L,мм 53
Переходник BSP 1.1/4"(Ш)-BSP1.1/4"(Г) (2В-20)Подробнее
Описание продукта

Переходник BSP 1.1/4"(Ш)-BSP1.1/4"(Г) (2В-20)

Резьба G1 G1.1/4"х11
Резьба G2 G1.1/4"х11
Ключ S1 50
Ключ S2 50
А,мм 20.5
B,мм 11
L,мм 55
Переходник BSP 1.1/4"(Ш)-BSP1"(Г) (2В-20-16)Подробнее
Описание продукта

Переходник BSP 1.1/4"(Ш)-BSP1"(Г) (2В-20-16)

Резьба G1 G1.1/4"х11
Резьба G2 G1"х11
Ключ S1 50
Ключ S2 41
А,мм 20.5
B,мм 11.7
L,мм 52
Переходник BSP 1.1/4"(Ш)-BSP1.1/2"(Г) (2В-20-24)Подробнее
Описание продукта

Переходник BSP 1.1/4"(Ш)-BSP1.1/2"(Г) (2В-20-24)

Резьба G1 G1.1/4"х11
Резьба G2 G1.1/2"х11
Ключ S1 50
Ключ S2 55
А,мм 20.5
B,мм 13
L,мм 55.5
Переходник BSP 1.1/2"(Ш)-BSP1.1/2"(Г) (2В-24)Подробнее
Описание продукта

Переходник BSP 1.1/2"(Ш)-BSP1.1/2"(Г) (2В-24)

Резьба G1 G1.1/2"х11
Резьба G2 G1.1/2"х11
Ключ S1 55
Ключ S2 55
А,мм 23
B,мм 13
L,мм 58
Переходник BSP 1.1/2"(Ш)-BSP1.1/4"(Г) (2В-24-20)Подробнее
Описание продукта

Переходник BSP 1.1/2"(Ш)-BSP1.1/4"(Г) (2В-24-20)

Резьба G1 G1.1/2"х11
Резьба G2 G1.1/4"х11
Ключ S1 55
Ключ S2 50
А,мм 23
B, мм 11
L,мм 55
Переходник BSP 2"(Ш)-BSP 2"(Г) (2В-32)Подробнее
Описание продукта

Переходник BSP 2"(Ш)-BSP 2"(Г) (2В-32)

Резьба G1 G 2"х11
Резьба G2 G 2"х11
Ключ S1 70
Ключ S2 70
А,мм 25.5
B,мм 16
L,мм 63.5
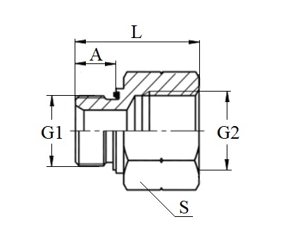
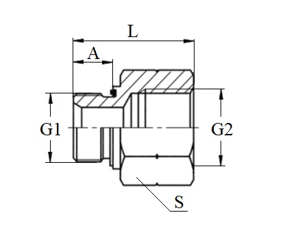
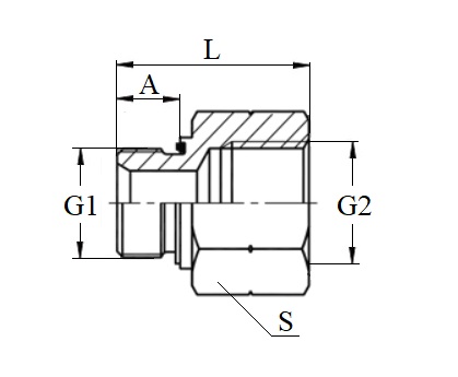
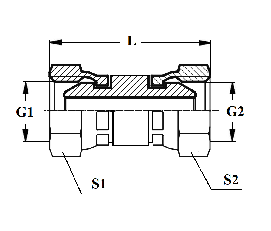
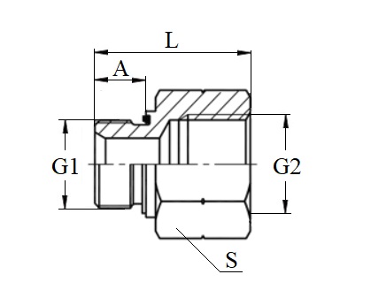
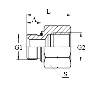
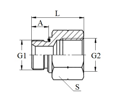
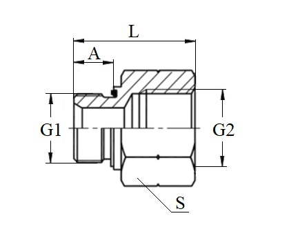
Переходник (редукционное соединение) BSP 1/8"(Ш-Нар.-Вертной)-BSP 1/4"(Ш-Внут) (5В-02-04WD)Подробнее
Описание продукта

Переходник (редукционное соединение) BSP 1/8"(Ш-Нар.-Вертной)-BSP 1/4"(Ш-Внут) (5В-02-04WD)

Резьба G1 G1/8"x28
Резьба G2 G1/4"x19
А,мм 8
L,мм 30.5
S1 19
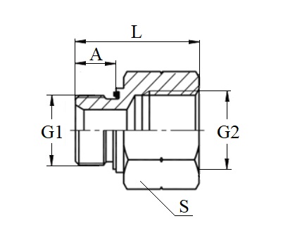
Переходник (редукционное соединение) BSP 1/8"(Ш-Нар.-Вертной)-BSP 3/8 "(Ш-Внут) (5В-02-06WD)Подробнее
Описание продукта

Переходник (редукционное соединение) BSP 1/8"(Ш-Нар.-Вертной)-BSP 3/8 "(Ш-Внут) (5В-02-06WD)

Резьба G1 G1/8"x28
Резьба G2 G3/8"x19
А,мм 8
L,мм 33.5
S1 22
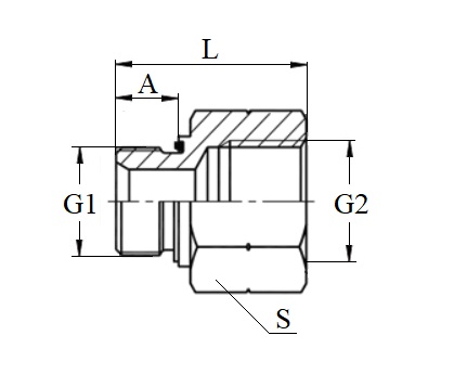
Переходник (редукционное соединение) BSP 1/4"(Ш-Нар.-Вертной)-BSP 1/8"(Ш-Внут) (5В-04-02WD)Подробнее
Описание продукта

Переходник (редукционное соединение) BSP 1/4"(Ш-Нар.-Вертной)-BSP 1/8"(Ш-Внут) (5В-04-02WD)

Резьба G1 G1/4"x19
Резьба G2 G1/8"x28
А,мм 12
L,мм 31.5
S1 19
Переходник (редукционное соединение) BSP 1/4"(Ш-Нар.-Вертной)-BSP 3/8" (Ш-Внут) (5В-04-06WD)Подробнее
Описание продукта

Переходник (редукционное соединение) BSP 1/4"(Ш-Нар.-Вертной)-BSP 3/8" (Ш-Внут) (5В-04-06WD)

Резьба G1 G1/4"x19
Резьба G2 G3/8"x19
А,мм 12
L,мм 37
S1 22
Переходник (редукционное соединение) BSP 1/4"(Ш-Нар.-Вертной)-BSP 1/2"(Ш-Внут) (5В-04-08WD)Подробнее
Описание продукта

Переходник (редукционное соединение) BSP 1/4"(Ш-Нар.-Вертной)-BSP 1/2"(Ш-Внут) (5В-04-08WD)

Резьба G1 G1/4"x19
Резьба G2 G1/2"x14
А,мм 12
L,мм 43
S1 27
Переходник (редукционное соединение) BSP 3/8"(Ш-Нар.-Вертной)-BSP 1/8"(Ш-Внут) (5В-06-02WD)Подробнее
Описание продукта

Переходник (редукционное соединение) BSP 3/8"(Ш-Нар.-Вертной)-BSP 1/8"(Ш-Внут) (5В-06-02WD)

Резьба G1 G3/8"x19
Резьба G2 G1/8"x28
А,мм 12
L,мм 35.5
S1 22
Переходник (редукционное соединение) BSP 3/8"(Ш-Нар.-Вертной)-BSP 1/4"(Ш-Внут) (5В-06-04WD)Подробнее
Описание продукта

Переходник (редукционное соединение) BSP 3/8"(Ш-Нар.-Вертной)-BSP 1/4"(Ш-Внут) (5В-06-04WD)

Резьба G1 G3/8"x19
Резьба G2 G1/4"x19
А,мм 12
L,мм 37.5
S1 22
Переходник (редукционное соединение) BSP 3/8"(Ш-Нар.-Вертной)-BSP 1/2" (Ш-Внут) (5В-06-08WD)Подробнее
Описание продукта

Переходник (редукционное соединение) BSP 3/8"(Ш-Нар.-Вертной)-BSP 1/2" (Ш-Внут) (5В-06-08WD)

Резьба G1 G3/8"x19
Резьба G2 G1/2"x14
А,мм 12
L,мм 43.5
S1 27
Переходник (редукционное соединение) BSP 1/2"(Ш-Нар.-Вертной)-BSP 1/4"(Ш-Внут) (5В-08-04WD)Подробнее
Описание продукта

Переходник (редукционное соединение) BSP 1/2"(Ш-Нар.-Вертной)-BSP 1/4"(Ш-Внут) (5В-08-04WD)

Резьба G1 G1/2"x14
Резьба G2 G1/4"x19
А,мм 14
L,мм 38
S1 27
Переходник (редукционное соединение) BSP 1/2"(Ш-Нар.-Вертной)-BSP 3/8"(Ш-Внут) (5В-08-06WD)Подробнее
Описание продукта

Переходник (редукционное соединение) BSP 1/2"(Ш-Нар.-Вертной)-BSP 3/8"(Ш-Внут) (5В-08-06WD)

Резьба G1 G1/2"x14
Резьба G2 G3/8"x19
А,мм 14
L,мм 41
S1 27
Переходник (редукционное соединение) BSP 1/2"(Ш-Нар.-Вертной)-BSP 3/4"(Ш-Внут) (5В-08-12WD)Подробнее
Описание продукта

Переходник (редукционное соединение) BSP 1/2"(Ш-Нар.-Вертной)-BSP 3/4"(Ш-Внут) (5В-08-12WD)

Резьба G1 G1/2"x14
Резьба G2 G3/4"x14
А,мм 14
L,мм 46
S1 36
Переходник (редукционное соединение) BSP 3/4"(Ш-Нар.-Вертной)-BSP 1/2"(Ш-Внут) (5В-12-08WD)Подробнее
Описание продукта

Переходник (редукционное соединение) BSP 3/4"(Ш-Нар.-Вертной)-BSP 1/2"(Ш-Внут) (5В-12-08WD)

Резьба G1 G3/4"x14
Резьба G2 G1/2"x14
А,мм 16
L,мм 47.5
S1 32
Переходник (редукционное соединение) BSP 3/4"(Ш-Нар.-Вертной)-BSP 1"(Ш-Внут) (5В-12-16WD)Подробнее
Описание продукта

Переходник (редукционное соединение) BSP 3/4"(Ш-Нар.-Вертной)-BSP 1"(Ш-Внут) (5В-12-16WD)

Резьба G1 G3/4"x14
Резьба G2 G1"x11
А,мм 16
L,мм 53.5
S1 41
Переходник (редукционное соединение) BSP 3/4"(Ш-Нар.-Вертной)-BSP 1.1/4"(Ш-Внут) (5В-12-20WD)Подробнее
Описание продукта

Переходник (редукционное соединение) BSP 3/4"(Ш-Нар.-Вертной)-BSP 1.1/4"(Ш-Внут) (5В-12-20WD)

Резьба G1 G3/4"x14
Резьба G2 G1.1/4"x11
А,мм 16
L,мм 54.5
S1 50
Переходник (редукционное соединение) BSP 1"(Ш-Нар.-Вертной)-BSP 3/4"(Ш-Внут) (5В-16-12WD)Подробнее
Описание продукта

Переходник (редукционное соединение) BSP 1"(Ш-Нар.-Вертной)-BSP 3/4"(Ш-Внут) (5В-16-12WD)

Резьба G1 G1"x11
Резьба G2 G3/4"x14
А,мм 18
L,мм 50.5
S1 41
Переходник (редукционное соединение) BSP 1"(Ш-Нар.-Вертной)-BSP 1.1/4"(Ш-Внут) (5В-16-20WD)Подробнее
Описание продукта

Переходник (редукционное соединение) BSP 1"(Ш-Нар.-Вертной)-BSP 1.1/4"(Ш-Внут) (5В-16-20WD)

Резьба G1 G1"x11
Резьба G2 G1.1/4"x11
А,мм 18
L,мм 56.5
S1 50
Переходник (редукционное соединение) BSP 1.1/4"(Ш-Нар.-Вертной)-BSP 1"(Ш-Внут) (5В-20-16WD)Подробнее
Описание продукта

Переходник (редукционное соединение) BSP 1.1/4"(Ш-Нар.-Вертной)-BSP 1"(Ш-Внут) (5В-20-16WD)

Резьба G1 G1"x11
Резьба G2 G1.1/4"x11
А,мм 20
L,мм 57.5
S1 50
Переходник (редукционное соединение) BSP 1.1/4"(Ш-Нар.-Вертной)-BSP 1.1/2"(Ш-Внут) (5В-20-24WD)Подробнее
Описание продукта

Переходник (редукционное соединение) BSP 1.1/4"(Ш-Нар.-Вертной)-BSP 1.1/2"(Ш-Внут) (5В-20-24WD)

Резьба G1 G1.1/4"x11
Резьба G2 G1.1/2"x11
А,мм 20
L,мм 59.5
S1 55
Переходник (редукционное соединение) BSP 1.1/4"(Ш-Нар.-Вертной)-BSP 2"(Ш-Внут) (5В-20-32WD)Подробнее
Описание продукта

Переходник (редукционное соединение) BSP 1.1/4"(Ш-Нар.-Вертной)-BSP 2"(Ш-Внут) (5В-20-32WD)

Резьба G1 G1.1/4"x11
Резьба G2 2"x11
А,мм 20
L,мм 64
S1 70
Переходник (редукционное соединение) BSP 1.1/2"(Ш-Нар.-Вертной)-BSP 1"(Ш-Внут) (5В-24-16WD)Подробнее
Описание продукта

Переходник (редукционное соединение) BSP 1.1/2"(Ш-Нар.-Вертной)-BSP 1"(Ш-Внут) (5В-24-16WD)

Резьба G1 G1.1/2"x11
Резьба G2 1"x11
А,мм 22
L,мм 59.5
S1 55
Переходник (редукционное соединение) BSP 1.1/2"(Ш-Нар.-Вертной)-BSP 1.1/4"(Ш-Внут) (5В-24-20WD)Подробнее
Описание продукта

Переходник (редукционное соединение) BSP 1.1/2"(Ш-Нар.-Вертной)-BSP 1.1/4"(Ш-Внут) (5В-24-20WD)

Резьба G1 G1.1/2"x11
Резьба G2 1.1/4"x11
А,мм 22
L,мм 60
S1 55
Переходник (редукционное соединение) BSP 1.1/2"(Ш-Нар.-Вертной)-BSP 2"(Ш-Внут) (5В-24-32WD)Подробнее
Описание продукта

Переходник (редукционное соединение) BSP 1.1/2"(Ш-Нар.-Вертной)-BSP 2"(Ш-Внут) (5В-24-32WD)

Резьба G1 G1.1/2"x11
Резьба G2 G2"x11
А,мм 22
L,мм 66
S1 70
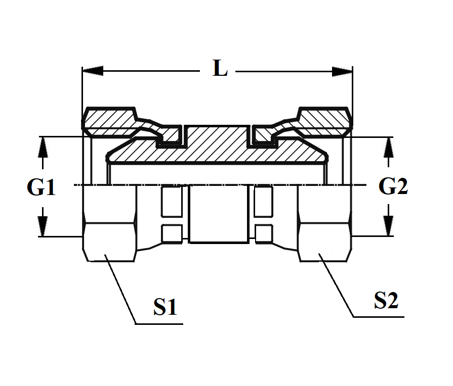
Переходник BSP 1/8"(Г)-BSP 1/8"(Г) (3В-02)Подробнее
Описание продукта

Переходник BSP 1/8"(Г)-BSP 1/8"(Г) (3В-02)

Резьба G1 G1/8"х28
Резьба G2 G1/8"х28
Ключ S1 14
Ключ S2 14
L, мм 25
Переходник BSP 1/8"(Г)-BSP 1/4"(Г) (3В-02-04)Подробнее
Описание продукта

Переходник BSP 1/8"(Г)-BSP 1/4"(Г) (3В-02-04)

Резьба G1 G1/8"х28
Резьба G2 G1/4"х19
Ключ S1 14
Ключ S2 19
L,мм 27
Переходник BSP 1/4"(Г)-BSP 1/4"(Г) (3В-04)Подробнее
Описание продукта

Переходник BSP 1/4"(Г)-BSP 1/4"(Г) (3В-04)

Резьба G1 G1/4"х19
Резьба G2 G1/4"х19
Ключ S1 19
Ключ S2 19
L,мм 29
Переходник BSP 1/4"(Г)-BSP 3/8"(Г) (3В-04-06)Подробнее
Описание продукта

Переходник BSP 1/4"(Г)-BSP 3/8"(Г) (3В-04-06)

Резьба G1 G1/4"х19
Резьба G2 G3/8"х19
Ключ S1 19
Ключ S2 22
L,мм 30.5
Переходник BSP 1/4"(Г)-BSP 1/2"(Г) (3В-04-08)Подробнее
Описание продукта

Переходник BSP 1/4"(Г)-BSP 1/2"(Г) (3В-04-08)

Резьба G1 G1/4"х19
Резьба G2 G1/2"х14
Ключ S1 19
Ключ S2 27
L,мм 32
Переходник BSP 3/8"(Г)-BSP 3/8"(Г) (3В-06)Подробнее
Описание продукта

Переходник BSP 3/8"(Г)-BSP 3/8"(Г) (3В-06)

Резьба G1 G3/8"х19
Резьба G2 G3/8"х19
Ключ S1 22
Ключ S2 22
L,мм 27
Переходник BSP 3/8"(Г)-BSP 1/2"(Г) (3В-06-08)Подробнее
Описание продукта

Переходник BSP 3/8"(Г)-BSP 1/2"(Г) (3В-06-08)

Резьба G1 G3/8"х19
Резьба G2 G1/2"х14
Ключ S1 22
Ключ S2 27
L,мм 29.5
Переходник BSP 1/2"(Г)-BSP 1/2"(Г) (3В-08)Подробнее
Описание продукта

Переходник BSP 1/2"(Г)-BSP 1/2"(Г) (3В-08)

Резьба G1 G1/2"х14
Резьба G2 G1/2"х14
Ключ S1 27
Ключ S2 27
L,мм 31
Переходник BSP 1/2"(Г)-BSP 5/8"(Г) (3В-08-10)Подробнее
Описание продукта

Переходник BSP 1/2"(Г)-BSP 5/8"(Г) (3В-08-10)

Резьба G1 G1/2"х14
Резьба G2 G5/8"х14
Ключ S1 27
Ключ S2 30
L,мм 31.5
Переходник BSP 1/2"(Г)-BSP 3/4"(Г) (3В-08-12)Подробнее
Описание продукта

Переходник BSP 1/2"(Г)-BSP 3/4"(Г) (3В-08-12)

Резьба G1 G1/2"х14
Резьба G2 G3/4"х14
Ключ S1 27
Ключ S2 32
L,мм 32.5
Переходник BSP 5/8"(Г)-BSP 5/8"(Г) (3В-10)Подробнее
Описание продукта

Переходник BSP 5/8"(Г)-BSP 5/8"(Г) (3В-10)

Резьба G1 G5/8"х14
Резьба G2 G5/8"х14
Ключ S1 30
Ключ S2 30
L,мм 31.5
Переходник BSP 5/8"(Г)-BSP3/4"(Г) (3В-10-12)Подробнее
Описание продукта

Переходник BSP 5/8"(Г)-BSP3/4"(Г) (3В-10-12)

Резьба G1 G5/8"х14
Резьба G2 G3/4"х14
Ключ S1 30
Ключ S2 32
L,мм 33
Переходник BSP 3/4"(Г)-BSP3/4"(Г) (3В-12)Подробнее
Описание продукта

Переходник BSP 3/4"(Г)-BSP3/4"(Г) (3В-12)

Резьба G1 G3/4"х14
Резьба G2 G3/4"х14
Ключ S1 32
Ключ S2 32
L,мм 33.5
Переходник BSP 3/4"(Г)-BSP1"(Г) (3В-12-16)Подробнее
Описание продукта

Переходник BSP 3/4"(Г)-BSP1"(Г) (3В-12-16)

Резьба G1 G3/4"х14
Резьба G2 G1"х11
Ключ S1 32
Ключ S2 41
L,мм 35
Переходник BSP 1"(Г)-BSP1"(Г) (3В-16)Подробнее
Описание продукта

Переходник BSP 1"(Г)-BSP1"(Г) (3В-16)

Резьба G1 G1"х11
Резьба G2 G1"х11
Ключ S1 41
Ключ S2 41
L,мм 36.5
Переходник BSP 1"(Г)-BSP1.1/4"(Г) (3В-16-20)Подробнее
Описание продукта

Переходник BSP 1"(Г)-BSP1.1/4"(Г) (3В-16-20)

Резьба G1 G1"х11
Резьба G2 G1.1/4"х11
Ключ S1 41
Ключ S2 50
L,мм 37.5
Переходник BSP 1.1/4"(Г)-BSP1.1/4"(Г) (3В-20)Подробнее
Описание продукта

Переходник BSP 1.1/4"(Г)-BSP1.1/4"(Г) (3В-20)

Резьба G1 G1.1/4"х11
Резьба G2 G1.1/4"х11
Ключ S1 50
Ключ S2 50
L 40
Переходник BSP 1.1/2"(Г)-BSP1.1/2"(Г) (3В-24)Подробнее
Описание продукта

Переходник BSP 1.1/2"(Г)-BSP1.1/2"(Г) (3В-24)

Резьба G1 G1.1/2"х11
Резьба G2 G1.1/2"х11
Ключ S1 55
Ключ S2 55
L,мм 42
Переходник BSP 2"(Г)-BSP 2"(Г) (3В-32)Подробнее
Описание продукта

Переходник BSP 2"(Г)-BSP 2"(Г) (3В-32)

Резьба G1 G 2"х11
Резьба G2 G 2"х11
Ключ S1 70
Ключ S2 70
L,мм 47
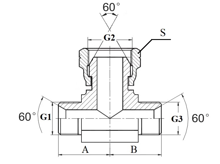
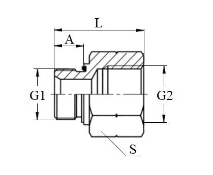
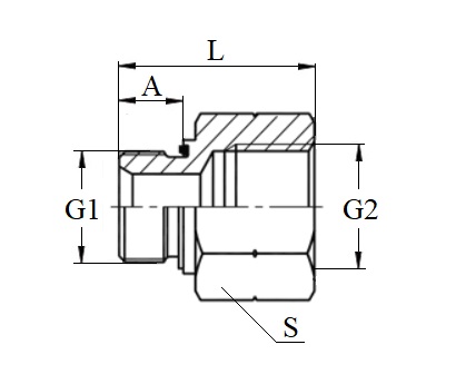
Переходник угловой BSP 1/8"(Ш)-BSP 1/8"(Ш) (1В9-02)Подробнее
Описание продукта

Переходник угловой BSP 1/8"(Ш)-BSP 1/8"(Ш) (1В9-02)

Резьба G1 G1/8"х28
Резьба G2 G1/8"х28
А,мм 19.8
B,мм 19.8
Переходник угловой BSP 1/8"(Ш)-BSP 1/4"(Ш) (1В9-02-04)Подробнее
Описание продукта

Переходник угловой BSP 1/8"(Ш)-BSP 1/4"(Ш) (1В9-02-04)

Резьба G1 G1/8"х28
Резьба G2 G1/4"х19
А,мм 23
B,мм 25
Переходник угловой BSP 1/4"(Ш)-BSP 1/4"(Ш) (1В9-04)Подробнее
Описание продукта

Переходник угловой BSP 1/4"(Ш)-BSP 1/4"(Ш) (1В9-04)

Резьба G1 G1/4"х19
Резьба G2 G1/4"х19
А,мм 23
B,мм 25
Переходник угловой BSP 1/4"(Ш)-BSP 3/8"(Ш) (1В9-04-06)Подробнее
Описание продукта

Переходник угловой BSP 1/4"(Ш)-BSP 3/8"(Ш) (1В9-04-06)

Резьба G1 G1/4"х19
Резьба G2 G3/8"х19
А,мм 26.5
B,мм 27.5
Переходник угловой BSP 3/8"(Ш)-BSP 3/8"(Ш) (1В9-06)Подробнее
Описание продукта

Переходник угловой BSP 3/8"(Ш)-BSP 3/8"(Ш) (1В9-06)

Резьба G1 G3/8"х19
Резьба G2 G3/8"х19
А,мм 27.5
B,мм 27.5
Переходник угловой BSP 3/8"(Ш)-BSP 1/2"(Ш) (1В9-06-08)Подробнее
Описание продукта

Переходник угловой BSP 3/8"(Ш)-BSP 1/2"(Ш) (1В9-06-08)

Резьба G1 G3/8"х19
Резьба G2 G1/2"х14
А,мм 31
B,мм 34.5
Переходник угловой BSP 1/2"(Ш)-BSP 1/2"(Ш) (1В9-08)Подробнее
Описание продукта

Переходник угловой BSP 1/2"(Ш)-BSP 1/2"(Ш) (1В9-08)

Резьба G1 G1/2"х14
Резьба G2 G1/2"х14
А,мм 34.5
B,мм 34.5
Переходник угловой BSP 1/2"(Ш)-BSP 3/4"(Ш) (1В9-08-12)Подробнее
Описание продукта

Переходник угловой BSP 1/2"(Ш)-BSP 3/4"(Ш) (1В9-08-12)

Резьба G1 G1/2"х14
Резьба G2 G3/4"х14
А,мм 37.5
B,мм 40
Переходник угловой BSP 5/8"(Ш)-BSP 5/8"(Ш) (1В9-10)Подробнее
Описание продукта

Переходник угловой BSP 5/8"(Ш)-BSP 5/8"(Ш) (1В9-10)

Резьба G1 G5/8"х14
Резьба G2 G5/8"х14
А,мм 35
B,мм 35
Переходник угловой BSP 5/8"(Ш)-BSP 3/4"(Ш) (1В9-10-12)Подробнее
Описание продукта

Переходник угловой BSP 5/8"(Ш)-BSP 3/4"(Ш) (1В9-10-12)

Резьба G1 G5/8"х14
Резьба G2 G3/4"х14
А,мм 37.5
B,мм 39
Переходник угловой BSP 3/4"(Ш)-BSP 3/4"(Ш) (1В9-12)Подробнее
Описание продукта

Переходник угловой BSP 3/4"(Ш)-BSP 3/4"(Ш) (1В9-12)

Резьба G1 G3/4"х14
Резьба G2 G3/4"х14
А,мм 40
B,мм 40
Переходник угловой BSP 3/4"(Ш)-BSP 1"(Ш) (1В9-12-16)Подробнее
Описание продукта

Переходник угловой BSP 3/4"(Ш)-BSP 1"(Ш) (1В9-12-16)

Резьба G1 G3/4"х14
Резьба G2 G1"х11
А,мм 43.5
B,мм 46
Переходник угловой BSP 1"(Ш)-BSP 1"(Ш) (1В9-16)Подробнее
Описание продукта

Переходник угловой BSP 1"(Ш)-BSP 1"(Ш) (1В9-16)

Резьба G1 G1"х11
Резьба G2 G1"х11
А,мм 46
B,мм 46
Переходник угловой BSP 1"(Ш)-BSP 1.1/4"(Ш) (1В9-16-20)Подробнее
Описание продукта

Переходник угловой BSP 1"(Ш)-BSP 1.1/4"(Ш) (1В9-16-20)

Резьба G1 G1"х11
Резьба G2 G1.1/4"х11
А,мм 50.5
B,мм 50.5
Переходник угловой BSP 1.1/4"(Ш)-BSP 1.1/4"(Ш) (1В9-20)Подробнее
Описание продукта

Переходник угловой BSP 1.1/4"(Ш)-BSP 1.1/4"(Ш) (1В9-20)

Резьба G1 G1.1/4"х11
Резьба G2 G1.1/4"х11
А,мм 50.5
B,мм 50.5
Переходник угловой BSP 1.1/4"(Ш)-BSP 1.1/2"(Ш) (1В9-20-24)Подробнее
Описание продукта

Переходник угловой BSP 1.1/4"(Ш)-BSP 1.1/2"(Ш) (1В9-20-24)

Резьба G1 G1.1/4"х11
Резьба G2 G1.1/2"х11
А,мм 54.5
B,мм 57.5
Переходник угловой BSP 1.1/2"(Ш)-BSP 1.1/2"(Ш) (1В9-24)Подробнее
Описание продукта

Переходник угловой BSP 1.1/2"(Ш)-BSP 1.1/2"(Ш) (1В9-24)

Резьба G1 G1.1/2"х11
Резьба G2 G1.1/2"х11
А,мм 57.5
B,мм 57.5
Переходник угловой BSP 2"(Ш)-BSP 2"(Ш) (1В9-32)Подробнее
Описание продукта

Переходник угловой BSP 2"(Ш)-BSP 2"(Ш) (1В9-32)

Резьба G1 G2"х11
Резьба G2 G2"х11
А,мм 68
B,мм 68
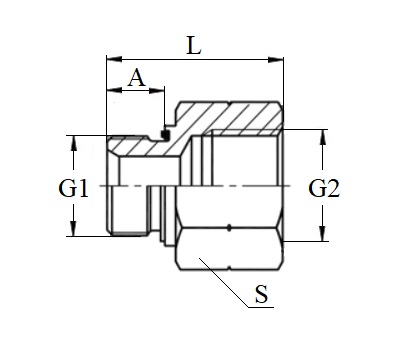
Переходник угловой с гайкой BSP 1/8"(Ш)-BSP 1/8"(Г) (2В9-02)Подробнее
Описание продукта

Переходник угловой с гайкой BSP 1/8"(Ш)-BSP 1/8"(Г) (2В9-02)

Резьба G1 G1/8"х28
Резьба G2 G1/8"х28
Ключ S 14
А мм 19.8
Переходник угловой с гайкой BSP 1/4"(Ш)-BSP 1/4"(Г) (2В9-04)Подробнее
Описание продукта

Переходник угловой с гайкой BSP 1/4"(Ш)-BSP 1/4"(Г) (2В9-04)

Резьба G1 G1/4"х19
Резьба G2 G1/4"х19
Ключ S 19
А 24.5
Переходник угловой с гайкой BSP 1/4"(Ш)-BSP 3/8"(Г) (2В9-04-06)Подробнее
Описание продукта

Переходник угловой с гайкой BSP 1/4"(Ш)-BSP 3/8"(Г) (2В9-04-06)

Резьба G1 G1/4"х19
Резьба G2 G3/8"х19
Ключ S 22
A мм 25
Переходник угловой с гайкой BSP 3/8"(Ш)-BSP 3/8"(Г) (2В9-06)Подробнее
Описание продукта

Переходник угловой с гайкой BSP 3/8"(Ш)-BSP 3/8"(Г) (2В9-06)

Резьба G1 G3/8"х19
Резьба G2 G3/8"х19
Ключ S 22
А 27.5
Переходник угловой с гайкой BSP 3/8"(Ш)-BSP 1/4"(Г) (2В9-06-04)Подробнее
Описание продукта

Переходник угловой с гайкой BSP 3/8"(Ш)-BSP 1/4"(Г) (2В9-06-04)

Резьба G1 G3/8"х19
Резьба G2 G1/4"х19
Ключ S 19
А 27.5
Переходник угловой с гайкой BSP 1/2"(Ш)-BSP 1/2"(Г) (2В9-08)Подробнее
Описание продукта

Переходник угловой с гайкой BSP 1/2"(Ш)-BSP 1/2"(Г) (2В9-08)

Резьба G1 G1/2"х14
Резьба G2 G1/2"х14
Ключ S 27
А 34.5
Переходник угловой с гайкой BSP 1/2"(Ш)-BSP 3/8"(Г) (2В9-08-06)Подробнее
Описание продукта

Переходник угловой с гайкой BSP 1/2"(Ш)-BSP 3/8"(Г) (2В9-08-06)

Резьба G1 G1/2"х14
Резьба G2 G3/8"х19
Ключ S 22
А 34.5
Переходник угловой с гайкой BSP 5/8"(Ш)-BSP 5/8"(Г) (2В9-10)Подробнее
Описание продукта

Переходник угловой с гайкой BSP 5/8"(Ш)-BSP 5/8"(Г) (2В9-10)

Резьба G1 G5/8"х14
Резьба G2 G5/8"х14
Ключ 30
А 35
Переходник угловой с гайкой BSP 5/8"(Ш)-BSP 1/2"(Г) (2В9-10-08)Подробнее
Описание продукта

Переходник угловой с гайкой BSP 5/8"(Ш)-BSP 1/2"(Г) (2В9-10-08)

Резьба G1 G5/8"х14
Резьба G2 G1/2"х14
Ключ S 27
А 35
Переходник угловой с гайкой BSP 3/4"(Ш)-BSP 3/4"(Г) (2В9-12)Подробнее
Описание продукта

Переходник угловой с гайкой BSP 3/4"(Ш)-BSP 3/4"(Г) (2В9-12)

Резьба G1 G3/4"х14
Резьба G2 G3/4"х14
Ключ S 32
А 40
Переходник угловой с гайкой BSP 1"(Ш)-BSP 1"(Г) (2В9-16)Подробнее
Описание продукта

Переходник угловой с гайкой BSP 1"(Ш)-BSP 1"(Г) (2В9-16)

Резьба G1 G1"х11
Резьба G2 G1"х11
Ключ S 41
А 46
Переходник угловой с гайкой BSP 1.1/4"(Ш)-BSP 1.1/4"(Г) (2В9-20)Подробнее
Описание продукта

Переходник угловой с гайкой BSP 1.1/4"(Ш)-BSP 1.1/4"(Г) (2В9-20)

Резьба G1 G1.1/4"х11
Резьба G2 G1.1/4"х11
Ключ 50
А 50.5
Переходник угловой с гайкой BSP 1.1/2"(Ш)-BSP 1.1/2"(Г) (2В9-24)Подробнее
Описание продукта

Переходник угловой с гайкой BSP 1.1/2"(Ш)-BSP 1.1/2"(Г) (2В9-24)

Резьба G1 G1.1/2"х11
Резьба G2 G1.1/2"х11
Ключ S 55
А 57.5
Переходник угловой с гайкой BSP 2"(Ш)-BSP 2"(Г) (2В9-32)Подробнее
Описание продукта

Переходник угловой с гайкой BSP 2"(Ш)-BSP 2"(Г) (2В9-32)

Резьба G1 G2"х11
Резьба G2 G2"х11
Ключ S 70
А 72.5
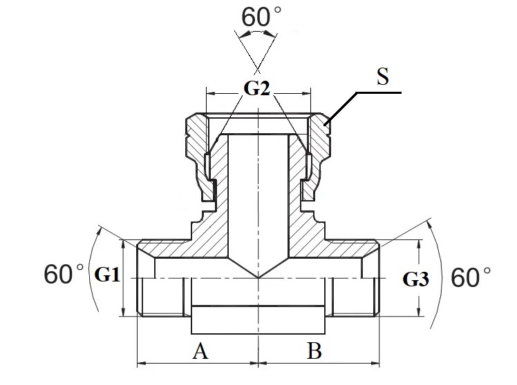
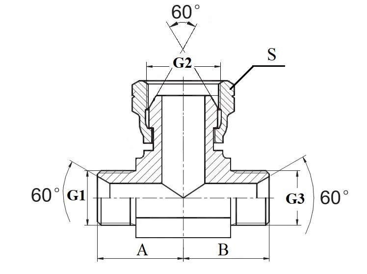
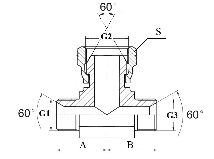
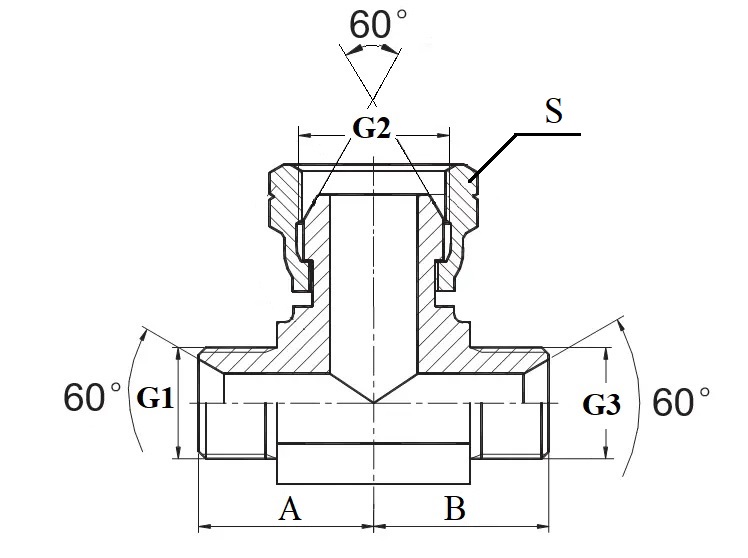
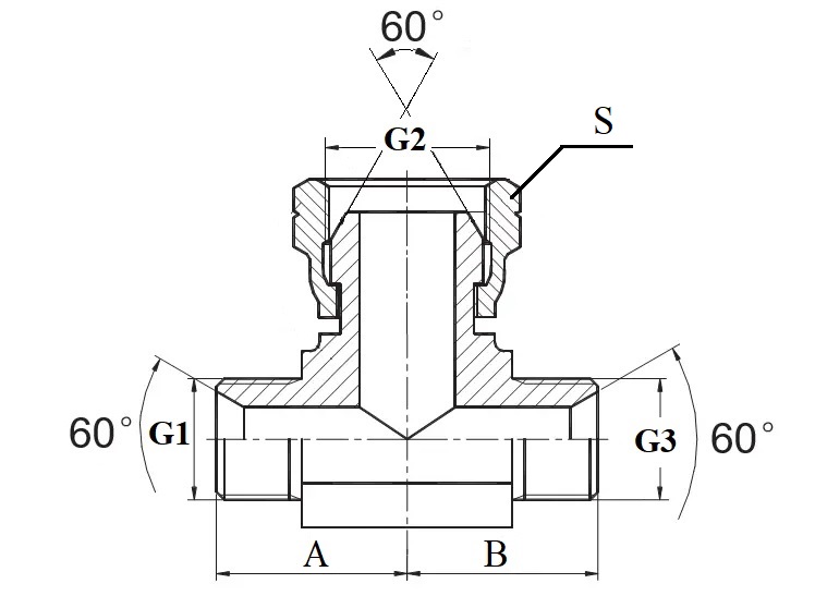
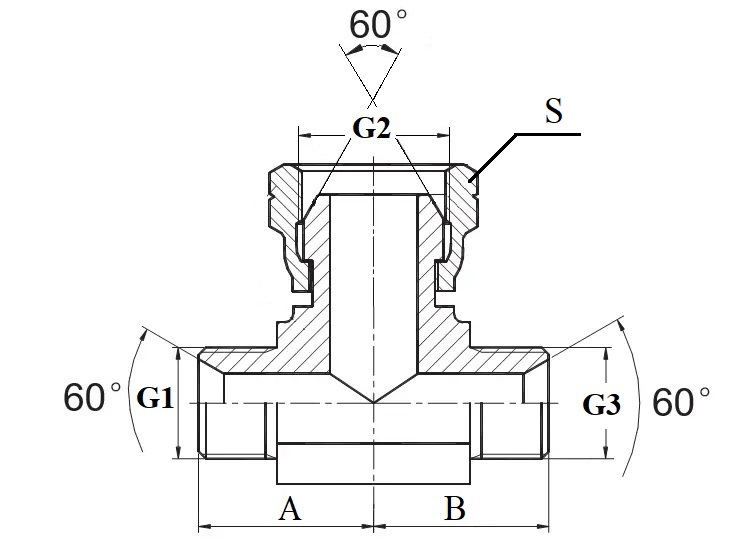
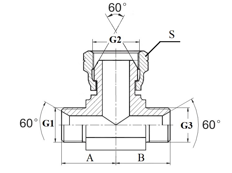
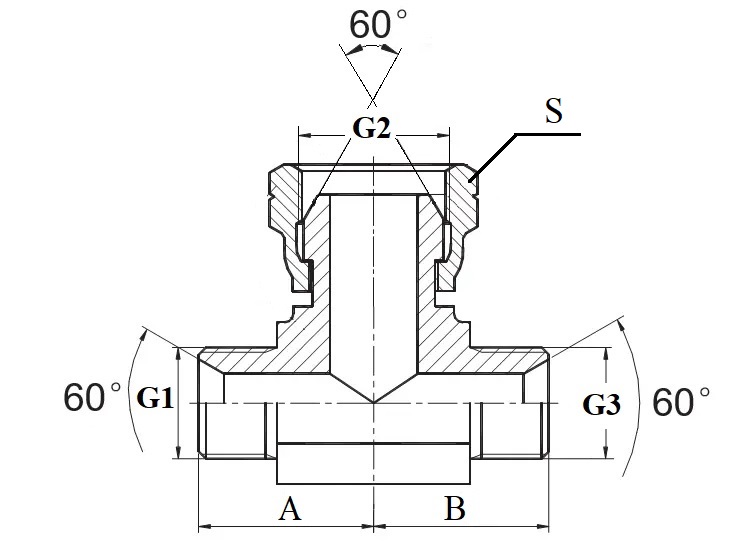
Тройник BSP 1/8"(Ш)-BSP 1/8"(Ш)-BSP 1/8"(Ш) (AB-02)Подробнее
Описание продукта

Тройник BSP 1/8"(Ш)-BSP 1/8"(Ш)-BSP 1/8"(Ш) (AB-02)

Резьба G1 G1/8"х28
Резьба G2 G1/8"х28
Резьба G3 G1/8"х28
А мм 19.8
B мм 19.8
C мм 19.8
Тройник BSP 1/4"(Ш)-BSP 1/4"(Ш)-BSP 1/4"(Ш) (AB-04)Подробнее
Описание продукта

Тройник BSP 1/4"(Ш)-BSP 1/4"(Ш)-BSP 1/4"(Ш) (AB-04)

Резьба G1 G1/4"х19
Резьба G2 G1/4"х19
Резьба G3 G1/4"х19
А мм 24.5
B мм 24.5
С мм 24.5
Тройник BSP 1/4"(Ш)-BSP 3/8"(Ш)-BSP 1/4"(Ш) (AB-04-06-04)Подробнее
Описание продукта

Тройник BSP 1/4"(Ш)-BSP 3/8"(Ш)-BSP 1/4"(Ш) (AB-04-06-04)

Резьба G1 G1/4"х19
Резьба G2 G3/8"х19
Резьба G3 G1/4"х19
А мм 27.5
B мм 26.5
C мм 27.5
Тройник BSP 3/8"(Ш)- BSP 1/4"(Ш)-BSP 3/8"(Ш) (AB-06-04-06)Подробнее
Описание продукта

Тройник BSP 3/8"(Ш)- BSP 1/4"(Ш)-BSP 3/8"(Ш) (AB-06-04-06)

Резьба G1 G3/8"х19
Резьба G2 G1/4"х19
Резьба G3 G3/8"х19
А мм 27.5
B мм 26.5
C мм 27.5
Тройник BSP 3/8"(Ш)- BSP 3/8"(Ш)-BSP 3/8"(Ш) (AB-06)Подробнее
Описание продукта

Тройник BSP 3/8"(Ш)- BSP 3/8"(Ш)-BSP 3/8"(Ш) (AB-06)

Резьба G1 G3/8"х19
Резьба G2 G3/8"х19
Резьба G3 G3/8"х19
А мм 27.5
B мм 27.5
C мм 27.5
Тройник BSP 3/8"(Ш)- BSP 1/2"(Ш)-BSP 3/8"(Ш) (AB-06-08-06)Подробнее
Описание продукта

Тройник BSP 3/8"(Ш)- BSP 1/2"(Ш)-BSP 3/8"(Ш) (AB-06-08-06)

Резьба G1 G3/8"х19
Резьба G2 G1/2"х14
Резьба G3 G3/8"х19
А мм 31
B мм 34.5
C мм 31
Тройник BSP 1/2"(Ш)- BSP 3/8"(Ш)-BSP 1/2"(Ш) (AB-08-06-08)Подробнее
Описание продукта

Тройник BSP 1/2"(Ш)- BSP 3/8"(Ш)-BSP 1/2"(Ш) (AB-08-06-08)

Резьба G1 G1/2"х14
Резьба G2 G3/8"х19
Резьба G3 G1/2"х14
А мм 34.5
B мм 31
C мм 34.5
Тройник BSP 1/2"(Ш)- BSP 1/2"(Ш)-BSP 1/2"(Ш) (AB-08)Подробнее
Описание продукта

Тройник BSP 1/2"(Ш)- BSP 1/2"(Ш)-BSP 1/2"(Ш) (AB-08)

Резьба G1 G1/2"х14
Резьба G2 G1/2"х14
Резьба G3 G1/2"х14
А мм 34.5
B мм 34.5
C мм 34.5
Тройник BSP 5/8"(Ш)- BSP 5/8"(Ш)-BSP 5/8"(Ш) (AB-10)Подробнее
Описание продукта

Тройник BSP 5/8"(Ш)- BSP 5/8"(Ш)-BSP 5/8"(Ш) (AB-10)

Резьба G1 G5/8"х14
Резьба G2 G5/8"х14
Резьба G3 G5/8"х14
А мм 35
B мм 35
C мм 35
Тройник BSP 3/4"(Ш)- BSP 3/4"(Ш)-BSP 3/4"(Ш) (AB-12)Подробнее
Описание продукта

Тройник BSP 3/4"(Ш)- BSP 3/4"(Ш)-BSP 3/4"(Ш) (AB-12)

Резьба G1 G3/4"х14
Резьба G2 G3/4"х14
Резьба G3 G3/4"х14
А мм 40
B мм 40
C мм 40
Тройник BSP 3/4"(Ш)- BSP 1"(Ш)-BSP 3/4"(Ш) (AB-12-16-12)Подробнее
Описание продукта

Тройник BSP 3/4"(Ш)- BSP 1"(Ш)-BSP 3/4"(Ш) (AB-12-16-12)

Резьба G1 G3/4"х14
Резьба G2 G1"х11
Резьба G3 G3/4"х14
А мм 43.5
B мм 46
C мм 43.5
Тройник BSP 1"(Ш)- BSP 3/4"(Ш)-BSP 1"(Ш) (AB-16-12-16)Подробнее
Описание продукта

Тройник BSP 1"(Ш)- BSP 3/4"(Ш)-BSP 1"(Ш) (AB-16-12-16)

Резьба G1 G1"х11
Резьба G2 G1"х11
Резьба G3 G3/4"х14
А мм 46
B мм 43.5
C мм 46
Тройник BSP 1"(Ш)- BSP 1"(Ш)-BSP 1"(Ш) (AB-16)Подробнее
Описание продукта

Тройник BSP 1"(Ш)- BSP 1"(Ш)-BSP 1"(Ш) (AB-16)

Резьба G1 G1"х11
Резьба G2 G1"х11
Резьба G3 G1"х11
А мм 46
B мм 46
C мм 46
Тройник BSP 1.1/4"(Ш)- BSP 1.1/4"(Ш)-BSP 1.1/4"(Ш) (AB-20)Подробнее
Описание продукта

Тройник BSP 1.1/4"(Ш)- BSP 1.1/4"(Ш)-BSP 1.1/4"(Ш) (AB-20)

Резьба G1 G1.1/4"х11
Резьба G2 G1.1/4"х11
Резьба G3 G1.1/4"х11
А мм 50.5
B мм 50.5
C мм 50.5
Тройник BSP 1.1/2"(Ш)- BSP 1.1/2"(Ш)-BSP 1.1/2"(Ш) (AB-24)Подробнее
Описание продукта

Тройник BSP 1.1/2"(Ш)- BSP 1.1/2"(Ш)-BSP 1.1/2"(Ш) (AB-24)

Резьба G1 G1.1/2"х11
Резьба G2 G1.1/2"х11
Резьба G3 G1.1/2"х11
А мм 57.5
B мм 57.5
C мм 57.5
Тройник BSP 2"(Ш)- BSP 2"(Ш)-BSP 2"(Ш) (AB-32)Подробнее
Описание продукта

Тройник BSP 2"(Ш)- BSP 2"(Ш)-BSP 2"(Ш) (AB-32)

Резьба G1 G2"х11
Резьба G2 G2"х11
Резьба G3 G2"х11
А мм 72.5
B мм 72.5
C мм 72.5
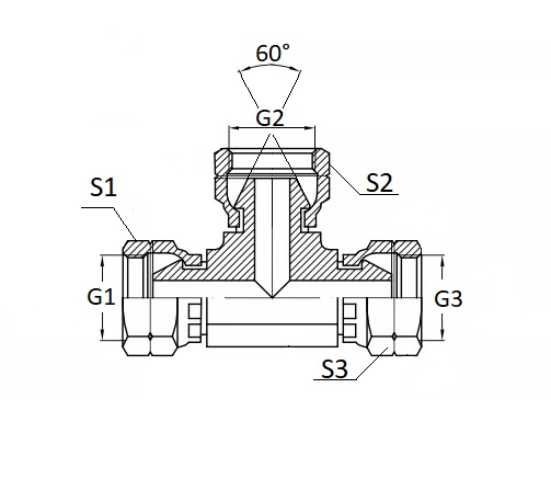
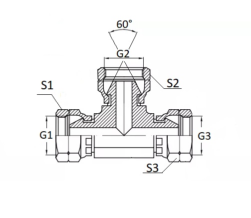
Тройник BSP 1/8"(Ш)-BSP 1/8"(Г)-BSP 1/8"(Ш) (BB-02)Подробнее
Описание продукта

Тройник BSP 1/8"(Ш)-BSP 1/8"(Г)-BSP 1/8"(Ш) (BB-02)

Резьба G1 G1/8"х28
Резьба G2 G1/8"х28
Резьба G3 G1/8"х28
А мм 19.8
B мм 19.8
S 14
Тройник BSP 1/4"(Ш)-BSP 1/4"(Г)-BSP 1/4"(Ш) (BB-04)Подробнее
Описание продукта

Тройник BSP 1/4"(Ш)-BSP 1/4"(Г)-BSP 1/4"(Ш) (BB-04)

Резьба G1 G1/4"х19
Резьба G2 G1/4"х19
Резьба G3 G1/4"х19
А мм 24.5
B мм 24.5
S 19
Тройник BSP 3/8"(Ш)- BSP 3/8"(Г)-BSP 3/8"(Ш) (BB-06)Подробнее
Описание продукта

Тройник BSP 3/8"(Ш)- BSP 3/8"(Г)-BSP 3/8"(Ш) (BB-06)

Резьба G1 G3/8"х19
Резьба G2 G3/8"х19
Резьба G3 G3/8"х19
А мм 27.5
B мм 27.5
S 22
Тройник BSP 1/2"(Ш)- BSP 1/2"(Г)-BSP 1/2"(Ш) (BB-08)Подробнее
Описание продукта

Тройник BSP 1/2"(Ш)- BSP 1/2"(Г)-BSP 1/2"(Ш) (BB-08)

Резьба G1 G1/2"х14
Резьба G2 G1/2"х14
Резьба G3 G1/2"х14
А мм 34.5
B мм 34.5
S 27
Тройник BSP 3/4"(Ш)- BSP 3/4"(Г)-BSP 3/4"(Ш) (BB-12)Подробнее
Описание продукта

Тройник BSP 3/4"(Ш)- BSP 3/4"(Г)-BSP 3/4"(Ш) (BB-12)

Резьба G1 G3/4"х14
Резьба G2 G3/4"х14
Резьба G3 G3/4"х14
А мм 40
B мм 40
S 32
Тройник BSP 1"(Ш)- BSP 1"(Г)-BSP 1"(Ш) (BB-16)Подробнее
Описание продукта

Тройник BSP 1"(Ш)- BSP 1"(Г)-BSP 1"(Ш) (BB-16)

Резьба G1 G1"х11
Резьба G2 G1"х11
Резьба G3 G1"х11
А мм 46
B мм 46
S 41
Тройник BSP 1.1/4"(Ш)- BSP 1.1/4"(Г)-BSP 1.1/4"(Ш) (BB-20)Подробнее
Описание продукта

Тройник BSP 1.1/4"(Ш)- BSP 1.1/4"(Г)-BSP 1.1/4"(Ш) (BB-20)

Резьба G1 G1.1/4"х11
Резьба G2 G1.1/4"х11
Резьба G3 G1.1/4"х11
А мм 50.5
B мм 50.5
S 50
Тройник BSP 1.1/2"(Ш)- BSP 1.1/2"(Г)-BSP 1.1/2"(Ш) (BB-24)Подробнее
Описание продукта

Тройник BSP 1.1/2"(Ш)- BSP 1.1/2"(Г)-BSP 1.1/2"(Ш) (BB-24)

Резьба G1 G1.1/2"х11
Резьба G2 G1.1/2"х11
Резьба G3 G1.1/2"х11
А мм 57.5
B мм 57.5
S 55
Тройник BSP 2"(Ш)- BSP 2"(Г)-BSP 2"(Ш) (BB-32)Подробнее
Описание продукта

Тройник BSP 2"(Ш)- BSP 2"(Г)-BSP 2"(Ш) (BB-32)

Резьба G1 G2"х11
Резьба G2 G2"х11
Резьба G3 G2"х11
А мм 72.5
B мм 72.5
S 70
Тройник BSP 1/8"(Ш)-BSP 1/8"(Ш)-BSP 1/8"(Г) (СB-02)Подробнее
Описание продукта

Тройник BSP 1/8"(Ш)-BSP 1/8"(Ш)-BSP 1/8"(Г) (СB-02)

Резьба G1 G1/8"х28
Резьба G2 G1/8"х28
Резьба G3 G1/8"х28
А мм 19.8
B мм 19.8
S 14
Тройник BSP 1/4"(Ш)-BSP 1/4"(Ш)-BSP 1/4"(Г) (СB-04)Подробнее
Описание продукта

Тройник BSP 1/4"(Ш)-BSP 1/4"(Ш)-BSP 1/4"(Г) (СB-04)

Резьба G1 G1/4"х19
Резьба G2 G1/4"х19
Резьба G3 G1/4"х19
А мм 25
B мм 25
S 19
Тройник BSP 3/8"(Ш)- BSP 3/8"(Ш)-BSP 3/8"(Г) (СB-06)Подробнее
Описание продукта

Тройник BSP 3/8"(Ш)- BSP 3/8"(Ш)-BSP 3/8"(Г) (СB-06)

Резьба G1 G3/8"х19
Резьба G2 G3/8"х19
Резьба G3 G3/8"х19
А мм 27.5
B мм 27.5
S 22
Тройник BSP 1/2"(Ш)- BSP 1/2"(Ш)-BSP 1/2"(Г) (СB-08)Подробнее
Описание продукта

Тройник BSP 1/2"(Ш)- BSP 1/2"(Ш)-BSP 1/2"(Г) (СB-08)

Резьба G1 G1/2"х14
Резьба G2 G1/2"х14
Резьба G3 G1/2"х14
А мм 34.5
B мм 34.5
S 27
Тройник BSP 5/8"(Ш)- BSP 5/8"(Ш)-BSP 5/8"(Г) (СB-10)Подробнее
Описание продукта

Тройник BSP 5/8"(Ш)- BSP 5/8"(Ш)-BSP 5/8"(Г) (СB-10)

Резьба G1 G5/8"х14
Резьба G2 G5/8"х14
Резьба G3 G5/8"х14
А мм 34.5
B мм 34.5
S 32
Тройник BSP 3/4"(Ш)- BSP 3/4"(Ш)-BSP 3/4"(Г) (СB-12)Подробнее
Описание продукта

Тройник BSP 3/4"(Ш)- BSP 3/4"(Ш)-BSP 3/4"(Г) (СB-12)

Резьба G1 G3/4"х14
Резьба G2 G3/4"х14
Резьба G3 G3/4"х14
А мм 40
B мм 40
S 32
Тройник BSP 1"(Ш)- BSP 1"(Ш)-BSP 1"(Г) (СB-16)Подробнее
Описание продукта

Тройник BSP 1"(Ш)- BSP 1"(Ш)-BSP 1"(Г) (СB-16)

Резьба G1 G1"х11
Резьба G2 G1"х11
Резьба G3 G1"х11
А мм 46
B мм 46
S 41
Тройник BSP 1.1/4"(Ш)- BSP 1.1/4"(Ш)-BSP 1.1/4"(Г) (СB-20)Подробнее
Описание продукта

Тройник BSP 1.1/4"(Ш)- BSP 1.1/4"(Ш)-BSP 1.1/4"(Г) (СB-20)

Резьба G1 G1.1/4"х11
Резьба G2 G1.1/4"х11
Резьба G3 G1.1/4"х11
А мм 50.5
B мм 50.5
S 50
Тройник BSP 1.1/2"(Ш)- BSP 1.1/2"(Ш)-BSP 1.1/2"(Г) (СB-24)Подробнее
Описание продукта

Тройник BSP 1.1/2"(Ш)- BSP 1.1/2"(Ш)-BSP 1.1/2"(Г) (СB-24)

Резьба G1 G1.1/2"х11
Резьба G2 G1.1/2"х11
Резьба G3 G1.1/2"х11
А мм 57.5
B мм 57.5
S 55
Тройник BSP 2"(Ш)- BSP 2"(Ш)-BSP 2"(Г) (СB-32)Подробнее
Описание продукта

Тройник BSP 2"(Ш)- BSP 2"(Ш)-BSP 2"(Г) (СB-32)

Резьба G1 G2"х11
Резьба G2 G2"х11
Резьба G3 G2"х11
А мм 72.5
B мм 72.5
S 70
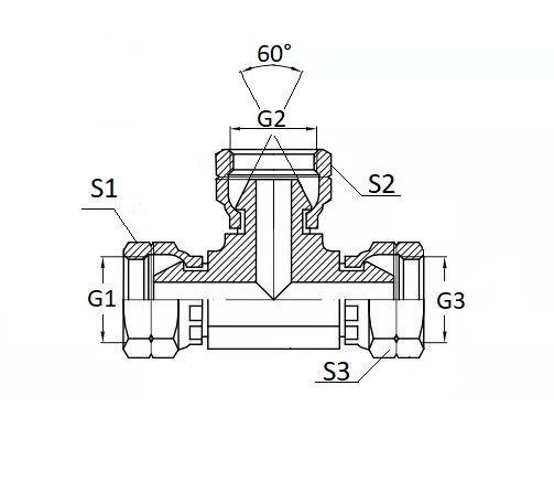
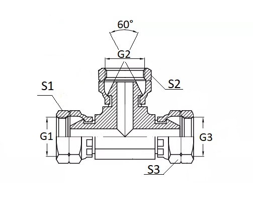
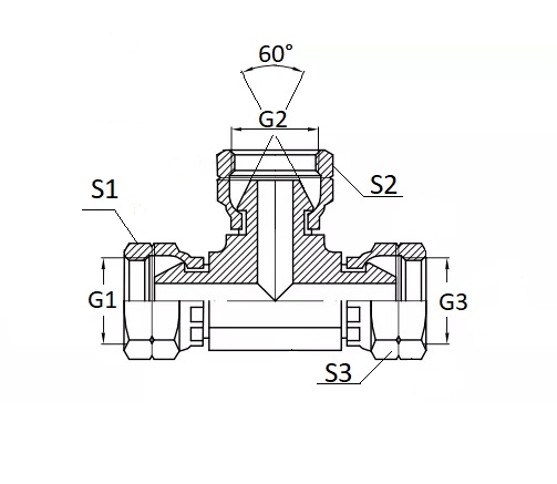
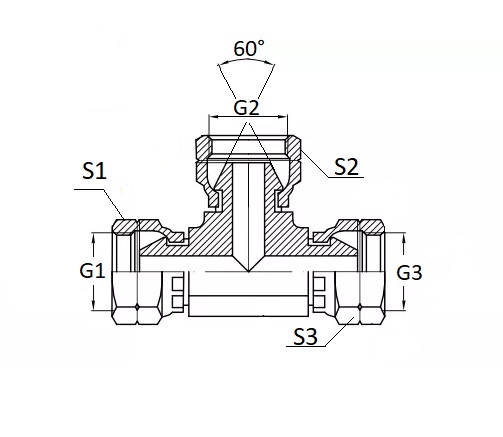
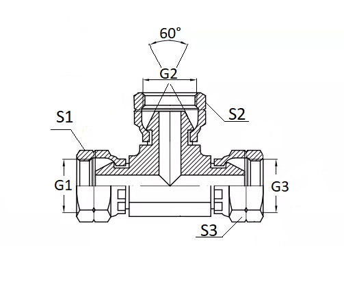
Тройник BSP 1/8"(Г)-BSP 1/8"(Г)-BSP 1/8"(Г) (DB-02)Подробнее
Описание продукта

Тройник BSP 1/8"(Г)-BSP 1/8"(Г)-BSP 1/8"(Г) (DB-02)

Резьба G1 G1/8"х28
Резьба G2 G1/8"х28
Резьба G3 G1/8"х28
S1 14
S2 14
S3 14
Тройник BSP 1/4"(Г)-BSP 1/4"(Г)-BSP 1/4"(Г) (DB-04)Подробнее
Описание продукта

Тройник BSP 1/4"(Г)-BSP 1/4"(Г)-BSP 1/4"(Г) (DB-04)

Резьба G1 G1/4"х19
Резьба G2 G1/4"х19
Резьба G3 G1/4"х19
S1 19
S2 19
S3 19
Тройник BSP 3/8"(Г)- BSP 3/8"(Г)-BSP 3/8"(Г) (DB-06)Подробнее
Описание продукта

Тройник BSP 3/8"(Г)- BSP 3/8"(Г)-BSP 3/8"(Г) (DB-06)

Резьба G1 G3/8"х19
Резьба G2 G3/8"х19
Резьба G3 G3/8"х19
S1 22
S2 22
S3 22
Тройник BSP 1/2"(Г)- BSP 1/2"(Г)-BSP 1/2"(Г) (DB-08)Подробнее
Описание продукта

Тройник BSP 1/2"(Г)- BSP 1/2"(Г)-BSP 1/2"(Г) (DB-08)

Резьба G1 G1/2"х14
Резьба G2 G1/2"х14
Резьба G3 G1/2"х14
S1 27
S2 27
S3 27
Тройник BSP 5/8"(Г)- BSP 5/8"(Г)-BSP 5/8"(Г) (DB-10)Подробнее
Описание продукта

Тройник BSP 5/8"(Г)- BSP 5/8"(Г)-BSP 5/8"(Г) (DB-10)

Резьба G1 G5/8"х14
Резьба G2 G5/8"х14
Резьба G3 G5/8"х14
S1 30
S2 30
S3 30
Тройник BSP 3/4"(Г)- BSP 3/4"(Г)-BSP 3/4"(Г) (DB-12)Подробнее
Описание продукта

Тройник BSP 3/4"(Г)- BSP 3/4"(Г)-BSP 3/4"(Г) (DB-12)

Резьба G1 G3/4"х14
Резьба G2 G3/4"х14
Резьба G3 G3/4"х14
S1 32
S2 32
S3 32
Тройник BSP 1"(Г)- BSP 1"(Г)-BSP 1"(Г) (DB-16)Подробнее
Описание продукта

Тройник BSP 1"(Г)- BSP 1"(Г)-BSP 1"(Г) (DB-16)

Резьба G1 G1"х11
Резьба G2 G1"х11
Резьба G3 G1"х11
S1 41
S2 41
S3 41
партнеры
Меню
Обратный звонок